什么是水煤比?什么是中间点温度?
2023-08-14 乐玩体育在线注册,乐玩体育(中国)
断路器失灵保护的延时 由什么构成
2023-08-11 乐玩体育在线注册,乐玩体育(中国)
配电系统中PT柜的作用是什么?PT柜和计量柜有什么区别?
电机的重载和轻载保护值,你还在乱设吗?是有规矩的,看完就懂了
磁翻板液位计与磁致伸缩液位计的区别
2023-08-10 乐玩体育在线注册,乐玩体育(中国)
流量计与管道连接的几种方式
差压流量计三阀组的开停顺序
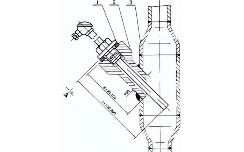
温度传感器温度计安装方式
2023-08-09 乐玩体育在线注册,乐玩体育(中国)