新闻动态

  • 电机双重联锁正反转控制知识分享

    电机双重联锁正反转控制知识分享

    2022-04-28 乐玩体育在线注册,乐玩体育(中国)电气

  • 矿井提升机控制系统故障处理知识分享

    矿井提升机控制系统故障处理知识分享

    2022-04-28 乐玩体育在线注册,乐玩体育(中国)设备

  • 配电室绝缘垫的技术要求规范知识分享

    配电室绝缘垫的技术要求规范知识分享

    2022-04-28 乐玩体育在线注册,乐玩体育(中国)电气

  • 直流串电与直流接地故障判断与简单查找方法知识

    直流串电与直流接地故障判断与简单查找方法知识

    2022-04-28 乐玩体育在线注册,乐玩体育(中国)电气

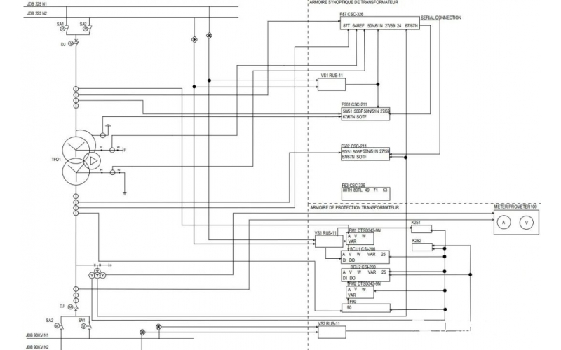
  • 变压器间隔使用225kv母线电压与90kv母线实现检同期的研究知识

    变压器间隔使用225kv母线电压与90kv母线实现检同期的研究知识

    2022-04-28 乐玩体育在线注册,乐玩体育(中国)电气

  • KS-BJ系列温度传感器温度计表插深原则知识分享

    温度计套管的插入深度应保证测温元件的端点位于被测介质温度变化的灵敏区域。在管道内安装时,插入深度宜位于管道直径的1/3到1/2处,并且应至少插入管道内50mm;在容器内安装时,插入深度距容器内壁宜至少150mm,但对于带有搅拌器的容器插入深度可适当缩短。

    2022-04-27 乐玩体育在线注册,乐玩体育(中国)自控

  • JKN-200系列浮筒液位计知识解析

    工作原理: 浸在液体中的浮筒受到向下重力,向上的浮力和向上的扭力管扭力的作用。当这三个力平衡时,浮筒就静止在某一位置。因为扭力管扭力的不同对带动扭芯转过不同的角度,经过角度传感器感知角度的变化来显示测量液(界)位的高度。

    2022-04-27 乐玩体育在线注册,乐玩体育(中国)自控

  • 锅炉减温器隐患排查及治理知识分享

    再热蒸汽喷水减温器是蒸汽侧调节再热汽温的主要调温设备, 蒸汽侧再热汽温调节通过向再热蒸汽中直接喷入冷却水,使之蒸发为水蒸汽并与再热蒸汽良好混合以达到降低蒸汽温度的目的,是电站锅炉运行时不可缺少的辅助调温手段。若喷水减温器发生喷管断裂事故,则严重威胁锅炉设备的安全运行。下面就以一起我公司近期检查发现的再热微量喷水减温器喷管断裂案例进行介绍。

    2022-04-27 乐玩体育在线注册,乐玩体育(中国)设备

首页
产品
新闻
联系