PLC这种报警,应该马上要引起重视,否则很麻烦!
2022-07-27 乐玩体育在线注册,乐玩体育(中国)
热电偶的冷端补偿原理及校验分享
变压器绕组温度会低于油面温度吗?
2022-07-26 乐玩体育在线注册,乐玩体育(中国)电气
电力设备能效的水平分级
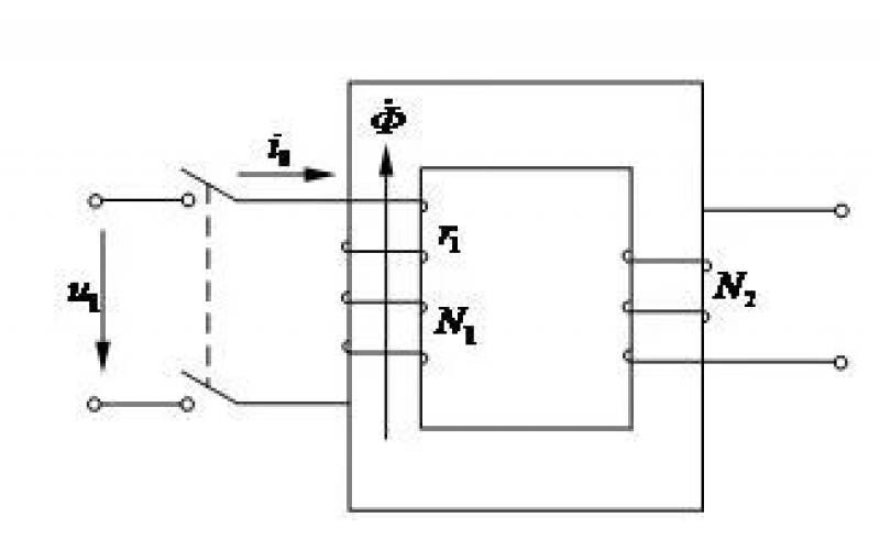
变压器励磁电流大小是否可以控制
PLC的IO模块(二)——模拟量和网络IO
2022-07-25 乐玩体育在线注册,乐玩体育(中国)
PLC的输入/输出(I/O)功能(一)——离散型模块
变频器在调试与使用过程中经常遇到的问题