全厂仪用压缩空气压力低处理措施-乐玩体育在线注册,乐玩体育(中国)北京
2022-09-08 乐玩体育在线注册,乐玩体育(中国)
北京乐玩体育在线注册,乐玩体育(中国)-变电站故障录波原理及文件分析
2022-09-07 乐玩体育在线注册,乐玩体育(中国)
江西乐玩体育在线注册,乐玩体育(中国)-变压器低压进线柜常见连接方式
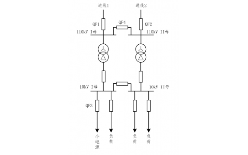
重庆乐玩体育在线注册,乐玩体育(中国)-小电源接入对备自投的影响
2022-09-06 乐玩体育在线注册,乐玩体育(中国)
北京乐玩体育在线注册,乐玩体育(中国)-配电室为什么要用绝缘垫?
为什么理论计算的预热器出口烟气量要比实测值小很多?-贵州乐玩体育在线注册,乐玩体育(中国)
北京乐玩体育在线注册,乐玩体育(中国)-励磁电流是如何进入发电机转子绕组的?
2022-09-05 乐玩体育在线注册,乐玩体育(中国)
汽轮机胀差和轴向位移知识分享-广东乐玩体育在线注册,乐玩体育(中国)